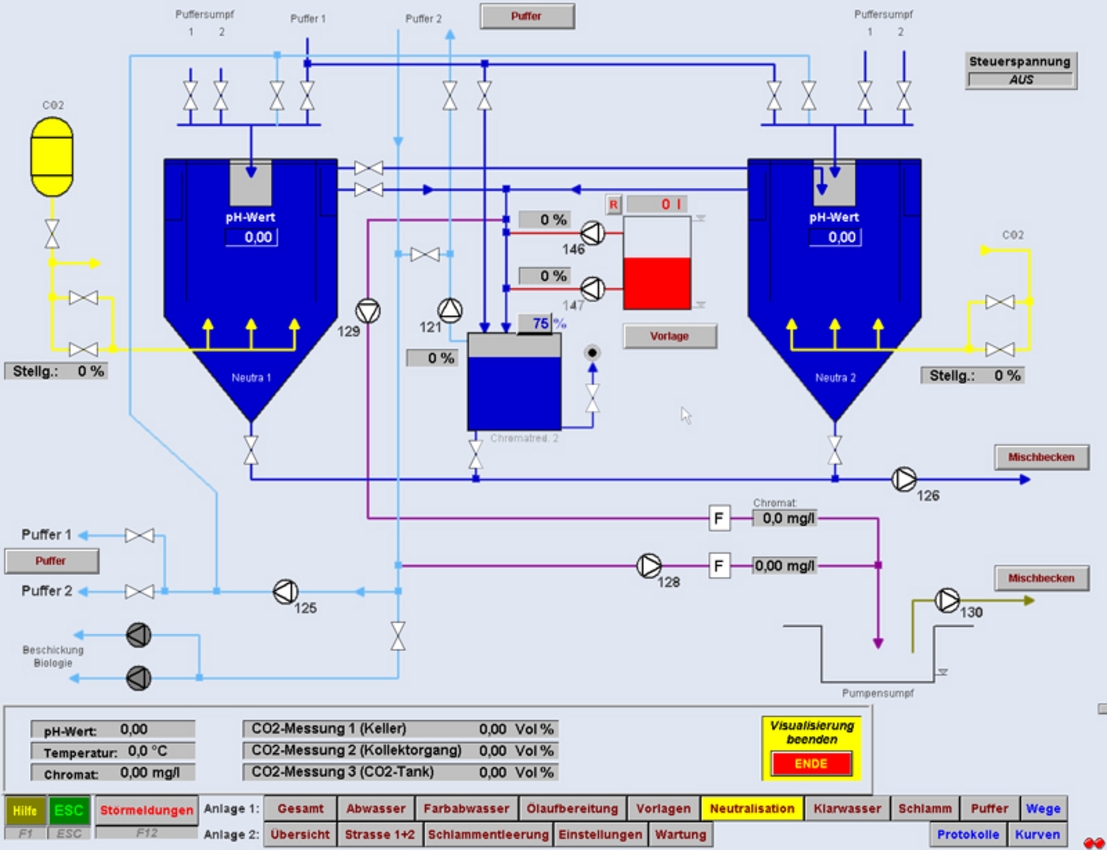
Steuerungs- & Regelungstechnik für Kläranlage

Automatisierungstechnik

  • SPS (SIMATIC® S7-400)

  • Prozessvisualisierung (WinCC®)

  • Kommunikation über Ethernet


Liefer- und Leistungsspektrum

  • Hardware-Engineering

  • Steuerschränke

  • Software-Engineering für SPS und Visualisierung

  • Montage und Inbetriebnahme